Стеклянные перегородки всех видов
Обращаем Ваше внимание, что замеры и монтаж выполняются только на территории Южного федерального округа. В другие регионы возможны поставки комплектующих без монтажа.
Компания «ВекторСтрой» готова предложить Вам алюминиевый профиль для стеклянных перегородок во всевозможных их вариантах исполнения: раздвижные, стационарные, мобильные (передвижные). Поставляемая нами система называется Free Style-Concept (FS.C). Это практичная конструкция, отлично подходящая для создания стеклянных перегородок в виде ширмы, для зонирования офисных помещений, в производственных и торговых пространствах согласно заблаговременно разработанному дизайнерскому проекту.
Установка предлагаемого нами каркаса FS.C для стеклянных перегородок не требует предварительного выполнения штукатурно-малярных работ и высыхания нанесенного покрытия. Монтаж может быть осуществлен непосредственно после завершения основных работ по строительству. К отличительным особенностям профиля для стеклянных перегородок системы Free Style-Concept относятся:
- разнообразие в исполнении (раздвижные стеклянные перегородки, с рисунком или матовые, с подсветкой, складные или стационарные, мобильные стеклянные перегородки (передвижные), с жалюзи и прочие)
- скорость и простота монтажа конструкции
При поставке системы FS.C в комплект входят материалы из алюминия и дополнительные элементы:
- уплотнители, специальные крепежные элементы
- заполнитель перегородок в виде закаленного стекла, матового, с рисунком или вовсе гипсокартон
- двери в различных вариантах

Возможности компании «ВекторСтрой» в области поставок стеклянных перегородок непрерывно расширяются, постоянно вносятся изменения в конструкции, поэтому рекомендуем продумать и проработать все детали с нашим менеджером ещё на этапе оформления заказа. Звоните 8 (905) 455-31-78!
Обращаем Ваше внимание на ряд ограничений по использованию профиля для стеклянных перегородок: он не может быть использован в качестве пожаробезопасного барьера, фасадных или несущих конструкций. Обязательно выполнение специальных расчетов при устройстве стационарных или раздвижных стеклянных перегородок, высота которых превышает 4 метра. Согласно государственному стандарту каркасы делятся по назначению на две категории: собственно алюминиевый материал и облицовочные комплектующие.
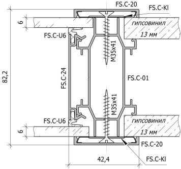
В конструкции FS.C, предлагаемой ООО «ВекторСтрой», используются не столбы, а стойки. Это крайне практичный вариант, поскольку их можно устанавливать как в горизонтальном, так и в вертикальном направлении. Важным отличием профиля для перегородок с заполнителем из стекла считается отсутствие у него лицевой поверхности. Поэтому значительно упрощается процесс монтажа, ведь отпадает необходимость в окрашивании. После установки стойки быстро и просто закрываются облицовочным профилем.
В случае использования каркаса для стеклянных перегородок как столба, то важно учесть пару особенностей. Столб может быть использован только как вертикальная конструкция. Он имеет лицевую поверхность, поэтому поставляется уже в окрашенном виде.
| Стойка стандартная FS.C-01 |
![]() |
Стойка узкая симметричная FS.C-09 |
![]() |
| Держатель FS.C-06 |
![]() |
Малый столб произвольного угла FS.C-07 |
![]() |
| Угловой столб - дуга FS.C-08 |
![]() |
Столб Т-образного соединения FS.C-04 |
![]() |
| Столб произвольного угла FS.C-05 |
![]() |
Угловой столб - грань FS.C-03 |
![]() |
Облицовочные профили для перегородок со стеклянным заполнителем
Эти материалы закрывают готовый каркас, имеет лицевую сторону для облицовки конструкции. Существует два варианта:
- витраж – каркасная конструкция из двойного или одинарного стекла
- нащельник используется для покрытия щелей между стойками, боковых частей
| Двойной витраж FS.C-24 |
![]() |
Одинарный витраж FS.C-25 |
![]() |
| Накрывающая рейка FS.C-26 |
![]() |
Нащельник клипсовый FS.C-20 |
![]() |
| Нащельник омега основной FS.N-04 |
![]() |
Заглушка в омегу FS.C-23 |
![]() |
| Нащельник узкий - центр FS.C-28 |
![]() |
Угловой профиль FS.C-27 |
![]() |
Витражи могут быть применимы в качестве накрывающей рейки, если торец конструкции не доходит до стены или потолка. Если применение профиля для стойки стандартно, то нащельник может использоваться в клипсовом варианте. Если стойка узкая, то нащельники применяются в качестве крепежных элементов.
Дополнительную прочность каркасу стеклянной перегородки, а также эстетичность может придать анодирование посредством специальных составов или полимерное порошковое покрытие.
Полезное по теме:
- Стеклянные перегородки в квартире (межкомнатные, для кухни, в ванной (душевые))
- Стеклянные перегородки в офисе
Мы поможем Вам выполнить расчет стоимости любой конструкции на основе стеклянных перегородок. Они в свою очередь могут быть декоративными, с жалюзи, матовыми, с рисунком и т.п.
Заказывайте по телефону +7 (951) 534 02 80!
На Ваши вопросы подробно ответит:
Купить необходимые материалы, узнать стоимость услуг монтажа и условия доставки Вы можете у наших менеджеров или по единому телефону +7 (951) 534 02 80
Комментарии (0)
Добавить комментарии
Скрыть форму
доставки Инструкции, ГОСТы































